当前位置: 教学设备 > 建设方案 > plc教学实验台接线方法图片大全集

plc教学实验台接线方法图片大全集

时间:2025-11-02 23:41:23 点击次数: ag体育厂
plc教学实验台接线方法图片大全集
plc教学实验台接线方法图片大全集(图1)
一、引言
可编程逻辑控制器(PLC)作为工业自动化范畴的中心设备,其教育试验台为初学者供给了学习掌控把握掌控把握掌控把握和实践的重要渠道。把握PLC实验台的接线办法,是深化学习掌控把握掌控把握掌控把握和运用PLC技术的要害一步。--将经过具体的图片展示,全面简介PLC实验台的接线办法,帮助读者直观、明晰地理解每个步骤。
二、试验台基础简介与接线预备
PLC实验台一般由PLC主机、电源模型块、写入设备、输出设备以及衔接实验连接线等含有概括。在接线前,咱们需求预备好一切所需的设备和工量具,并保证它们处于良好的作业状况。
三、接线办法具体图解
电源接线
电源是试验台正常运行的根底。首要,将电源线的一端刺进电源插头座,另一端衔接到试验台的电源模型块。在接线时,要注意电源线的色彩标识,保证正确衔接到相应的正负极。
plc教学实验台接线方法图片大全集(图2)

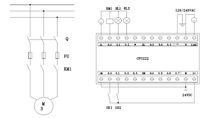
PLC主机接线
PLC主机是试验台的中心部分。将PLC主机放置在试验台上,并运用衔接线将其与电源模型块衔接。一起,保证PLC主机的通讯连连连接口与计算机数值数值数值或其他设备的连连连接口相匹配,以便后续实行编程和调动测量试验。
plc教学实验台接线方法图片大全集(图3)
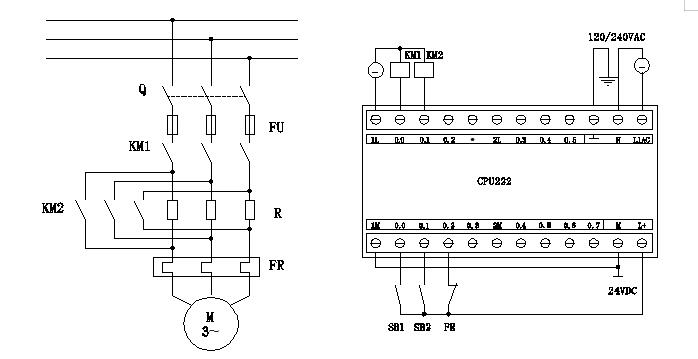
写入设备接线
写入设备用来向PLC供给控制信号。常见的写入设备含有概括按钮、开关和传感器等。在接线时,咱们需求依据写入设备的类型和标准,挑选合适的衔接线和端口实行衔接。保证衔接结实而而而且触摸良好,以避免信号传输的干扰和差错。
plc教学实验台接线方法图片大全集(图4)
输出设备接线
输出设备用来执行PLC的控制指令。常见的输出设备含有概括指示灯、电机和继电器等。在接线时,相同需求依据输出设备的类型和标准实行衔接。注意输出设备的电源线和信号线的衔接方位,保证它们正确接入PLC主机的相应端口。

四、接线注意事项
在实行接线时,咱们需求注意以下几点:
保证电源已封闭,避免在接线过程中产生电击事故。
查看实验连接线的重量(kg)(kg)和长度,保证它们符合试验要求并设定有良好的导电功能。
在刺进实验连接线时,要悄悄旋转并略微用力,以保证实验连接线与端口严密触摸并固定结实。
在接线完成后,必须实行仔细查看,保证一切衔接全部正确无误。一起,运用万用表等工量具检验测量试验电子线路的通断性和正确性,保证试验台的安全平稳运行。
五、试验与调动测量试验
完成接线后,咱们能够实行试验与调动测量试验。首要,经过PLC编程系统编写控制程序,并将程序下载到PLC主机中。--给试验台上电并调查写入设备和输出设备的反响。依据试验成果调动程序功能数值和接线方法,以到达预期的控制效果。
六、结语
经过--的具体图解和简介,信任读者已经对PLC实验台的接线办法有了明晰的知道。把握这些根本的接线技术对于初学者来说至关重要,它将为后续的PLC学习掌控把握掌控把握掌控把握和实践打下坚实的根底。期望读者能够充分运用--供给的图片大全集和实践经验,不断提升自己的PLC运用水平。
 
 
 


常见问题:

1、如果我要购买plc教学实验台接线方法图片大全集,PLC实验台,是否有安装、培训服务呢?

答:我们的设备如果没有特别注明“不含安装”“裸机价”“出厂”等字样的,都是提供安装、培训服务的。

2、你们的plc教学实验台接线方法图片大全集,PLC实验台是否能开增值税专用发票?

答:可以的,我们是正规企业,并且已经升级到一般纳税人,可以开具增值税专用发票,如果您需要开plc教学实验台接线方法图片大全集,PLC实验台的发票,您需要提供开票资料。

3、你们的plc教学实验台接线方法图片大全集,PLC实验台都是自己生产的吗?都有什么产品资质?

答:我们公司是专业生产教学设备的企业,完全自主生产,并通过了最新版ISO9001认证,拥有多项专利与著作权。

本文来自网络,不代表本站立场,图片为参考图片,转载请注明出处:plc教学实验台接线方法图片大全集,PLC实验台

    沪ICP备15019043号-4,PLC实验台,实验室设备,电工实训台,机械传动机构,教学设备